【アブ純正お取り寄せパーツ:納期1ヶ月】REVO BEAST BEAST 製品コード:1324529
販売価格: 50円~11,000円(税別)
(税込: 55円~12,100円)
オプションにより価格が変わる場合もあります。
商品詳細
| お取り寄せ部品のご注文には、ルールがございます |
・こちらのページに記載されている部品はすべて当店在庫品ではなく、納期に約1ヶ月かかる「メーカーお取り寄せ部品」です。お急ぎの場合はご注意ください。
・ご注文後のキャンセル・変更・返品はできません。
・システムの都合上「在庫あり」でカートに入る商品も「お取り寄せ部品」となります。また、メーカーに在庫があることを確約するものではありません。
・メーカーに在庫のない納期未定部品はキャンセルとなります。
・複数の部品をご注文の際、一部に欠品があった場合は、在庫のある部品のみご用意致します。
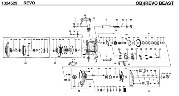
| リール部品展開図 |

| 展開図 番号 |
品番 | パーツ名 | 単価 (税抜) |
| 1 | 1347111 | FRAME | 5000 |
| 2 | 1125801 | SLIDE WASHER | 100 |
| 3 | 1125802 | SLIDE WASHER | 100 |
| 4 | 1125803 | THUMBAR | 300 |
| 5 | 1124745 | THUMBAR SHAFT | 150 |
| 6 | 1124746 | THUMBAR SCREW | 50 |
| 7 | 1281152 | LINE GUIDE | 500 |
| 8 | 1280905 | LEVEL WIND TUBE | 300 |
| 9 | 1132853 | BALL BEARING | 600 |
| 10 | 1280906 | WORM SHAFT | 1500 |
| 11 | 1125732 | WORM SHAFT GEAR | 100 |
| 12 | 1125733 | WORM SHAFT PIN | 50 |
| 13 | 1280907 | LINE GUIDE SHAFT | 300 |
| 14 | 1125734 | WORM SHAFT PIN HOLDER | 70 |
| 15 | 1124224 | WASHER | 160 |
| 16 | 1124201 | RETAINER | 50 |
| 17 | 1125806 | PAWL | 300 |
| 18 | 1125736 | WASHER | 50 |
| 19 | 1129323 | LINE GUIDE NUT | 70 |
| 20 | 1280908 | FRONT COVER | 500 |
| 21 | 1125738 | SCREW | 50 |
| 22 | 1125739 | YOKE HOLDER | 100 |
| 23 | 1289969 | KICK LEVER | 300 |
| 24 | 1125741 | LIFT CURVE | 300 |
| 25 | 1185699 | CLUTCH SPRING | 160 |
| 26 | 1203786 | KICK LEVER | 300 |
| 27 | 1125744 | SCREW | 50 |
| 28 | 1125745 | KICK LEVER SPRING | 50 |
| 29 | 1347112 | MAIN GEAR SHAFT | 1200 |
| 30 | 1251634 | LEVEL WIND GEAR | 160 |
| 31 | 1125747 | WASHER | 50 |
| 32 | 1281130 | MAIN GEAR SHAFT PLATE | 200 |
| 33 | 1281216 | BALL BEARING | 600 |
| 34 | 1124201 | RETAINER | 50 |
| 35 | 1185747 | SCREW | 160 |
| 36 | 1281131 | YOKE | 200 |
| 37 | 1281166 | PINION (K) | 1000 |
| 38 | 1144195 | RATCHET | 150 |
| 39 | 1281133 | DRAG WASHER | 250 |
| 40 | 1204949 | DRIVE GEAR | 1500 |
| 41 | 1347113 | DRAG WASHER | 200 |
| 42 | 1204951 | D WASHER | 150 |
| 43 | 1204952 | A WASHER | 150 |
| 44 | 1204953 | PRESSURE WASHER | 150 |
| 45 | 1144185 | WASHER | 50 |
| 46 | 1257782 | SLEEVE | 200 |
| 47 | 1116237 | YOKE SPRING | 50 |
| 48 | 1125766 | PINION SHAFT | 500 |
| 49 | 1116226 | RETAINER | 50 |
| 50 | 1347114 | GEAR SIDE COMPLETE | 5000 |
| 51 | 1185714 | O-RING | 50 |
| 52 | 1132859 | BALL BEARING | 600 |
| 53 | 1104790 | RING | 50 |
| 54 | 1125768 | CLICK WASHER | 100 |
| 55 | 1125769 | CLICK SPRING | 150 |
| 56 | 1125770 | FRICTION WASHER | 50 |
| 57 | 1125771 | RUBBER WASHER | 50 |
| 58 | 1125772 | CLICK WASHER | 100 |
| 59 | 1347115 | BRAKE KNOB | 1500 |
| 60 | 1363429 | CAM LOCK SCREW | 200 |
| 61 | 1133903 | WASHER | 50 |
| 62 | 1125775 | SPRING | 50 |
| 63 | 1125812 | SCREW | 50 |
| 64 | 1257013 | SCREW | 160 |
| 65 | 1257014 | SCREW | 160 |
| 68 | 1185796 | CLICK PLATE | 150 |
| 69 | 1125780 | CLICK SPRING | 70 |
| 70 | 1117208 | SPRING WASHER | 50 |
| 71 | 1347116 | STAR WHEEL | 2000 |
| 72 | 1125783 | WASHER | 50 |
| 73 | 1347117 | HANDLE COMPLETE | 5200 |
| 74 | 1203392 | HANDLE NUT | 200 |
| 75 | 1132929 | HANDLE NUT COVER | 150 |
| 76 | 1203407 | SCREW | 50 |
| 77 | 1347118 | PALM SIDE PLATE | 4000 |
| 78 | 1281195 | MAG DIAL | 300 |
| 79 | 1281144 | RUBBER WASHER | 50 |
| 80 | 1125791 | CLICK SPRING | 100 |
| 81 | 1281145 | BEARING HOUSING | 1500 |
| 82 | 1185732 | SILDE CAM | 200 |
| 83 | 1116222 | MAGNET | 200 |
| 84 | 1185739 | MAGNET HOLDER | 800 |
| 85 | 1252096 | MAGNET PLATE | 200 |
| 86 | 1185737 | MAGNET HOLDER SPRING | 160 |
| 87 | 1125797 | WASHER | 50 |
| 88 | 1128194 | BALLBEARING | 800 |
| 89 | 1104790 | RING | 50 |
| 90 | 1185735 | SPOOL COVER SCREW | 160 |
| 91 | 1347129 | SPOOL | 4500 |
| 92 | 1144215 | BALL BEARING | 800 |
| 93 | 1192826 | SPOOL SHAFT PIN | 200 |
| 94 | 1187900 | BRAKE SHOE HOLDER | 300 |
| 95 | 1187888 | BRAKE SHOE | 50 |
| 96 | 1187892 | BRAKE SHOE SPRING | 50 |
| 97 | 1281178 | BRAKE WEIGHT COVER | 300 |
| 98 | 1187891 | SCREW | 50 |
| 99 | 1347130 | SPOOL COMPLETE | 7500 |
| 100 | 1347131 | PALM SIDE COMPLETE | 11000 |
| 106 | 1144194 | STOPPER | 900 |
| 108 | 1116226 | RETAINER | 50 |
| 109 | 1308848 | HANDE | 2000 |
| 110 | 1347132 | HANDLE KNOB | 800 |
| 111 | 1208088 | BUSHING FOR BALL BEARING | 200 |
| 112 | 1281319 | BALL BEARING | 600 |
| 113 | 1281320 | SCREW | 160 |
| 114 | 1347133 | HANDLE KNOB CAP | 600 |
| 117 | 1275594 | OWC | 2500 |
| 118 | 1347134 | GEAR SIDE PLATE | 4200 |
* 修理専用の記載のあるものは部品販売をおこなっておりません。修理お預りにて対応となります。
| ご注文方法 |
(STEP 1:お客様)
パーツリストの中から、ご希望の部品をカートに入れてご決済ください。
↓
(STEP 2:当店)
内容を確認し、メーカーへ発注致します。
↓
(STEP 3:メーカー)
在庫のない部品のみ1週間後にご連絡が来ます。在庫のある部品は約1ヶ月程で当店に入荷致します。
※すべての部品に在庫があった場合は、発送までメーカー・当店からお客様へのご連絡はありませんのでそのままお待ちください。
↓
(STEP 4:当店)
メーカーから部品が入荷次第、発送させていただきます。
※純正パーツの入荷には約1ヶ月程かかります。
※「お取り寄せ品」と「当店在庫品」を一緒にご注文された場合、「お取り寄せ品」が入荷してからまとめての発送となります。
※先に「当店在庫品」だけが欲しい場合は、それぞれのご注文は別々にご決済下さい。
※パーツリストのページは順次増やしていく予定ですが、まだリストが掲載されていないリールの部品をご希望の場合は、下記オーダーフォームより手入力でご注文下さい。
純正パーツ オーダーフォーム
https://www.hedgehog-studio.com/form/parts
| ご注文ができない部品について |
・シマノのHPで、修理不能のマークのある部品。
・メーカーにて交換、アフターサービス対応と記載のある修理対応専用品。
https://www.shimanofishingservice.jp/price.php
・ダイワのHPで、修理対応専用・販売停止中・生産終了の部品。
http://www.sl-planets.co.jp/shop/c/
・シマノ、ダイワのホームページの展開図で、部品番号・部品コードのない部品。
・アブのHPで、修理専用の記載のある部品。
https://pfj-parts.com/
※パーツリスト(製造終了)のモデルでも部品の在庫があった場合はご注文可能です。
・釣竿や用品など、リール関係以外の部品。
| 携帯メールアドレスのご注意 |
ご入力されたメールアドレスが「docomo・au・SoftBank」などの携帯アドレスの場合、当店から送信したメールが迷惑メールと認識され、お客様に届かないことがございます。
ご注文完了後、数秒で必ずご注文控えがお客様に届きます。
メールが届いていない場合、当店のメールが迷惑メールに仕訳されておりますので、メールフォルダをよくご確認ください。
メールが自動的に削除されてしまった場合は、ご連絡いただければ再送致します。
それでも受取りができない場合は、再度ご連絡ください。
今後のご利用のためにも、できればメールアドレスは携帯アドレスではなく、Gmailやプロバイダなどのアドレスをご指定いただけますと幸いです。
当店のメールアドレスはこちら
info@hedgehog-studio.com
お電話によるお問合せ
TEL:03-5284-9790
平日:9:00 - 15:00
■スペアスプール・ベアリング・各種カスタム部品など
Revo BEASTシリーズ対応純正パーツ・チューニングパーツはこちら!

English