【ダイワ純正お取り寄せパーツ:納期1ヶ月】11カルディア 3520PE-SH 製品コード:00056099
販売価格: 100円~9,100円(税別)
(税込: 110円~10,010円)
オプションにより価格が変わる場合もあります。
| お取り寄せ部品のご注文には、ルールがございます |
・こちらのページに記載されている部品はすべて当店在庫品ではなく、納期に約1ヶ月かかる「メーカーお取り寄せ部品」です。お急ぎの場合はご注意ください。
・ご注文後のキャンセル・変更・返品はできません。
・システムの都合上「在庫あり」でカートに入る商品も「お取り寄せ部品」となります。また、メーカーに在庫があることを確約するものではありません。
・メーカーに在庫のない納期未定部品はキャンセルとなります。
・複数の部品をご注文の際、一部に欠品があった場合は、在庫のある部品のみご用意致します。
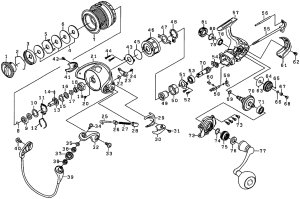
| リール部品展開図 |

| No | 部品名 | 部品コード | 税込価格 | 特記事項 |
| 1 | ドラグノブ | 6H732101 | 1650 | 生産終了 |
| 2 | ドラグリング | 6F710001 | 220 | |
| 3 | ドラグラチェット | 6F895302 | 770 | |
| 4 | ドラグW | 6F627101 | 220 | |
| 5 | ドラグリップW | 6F627301 | 110 | |
| 6 | ドラグディスクW | 6H714001 | 220 | |
| 7 | スプール(2-7) | 6H731601 | 10010 | 生産終了 |
| 8 | スプールメタルリング | 6G525101 | 220 | |
| 9 | スプールメタルカラー (8 12 3.5) | 6G747401 | 220 | |
| 10 | スプールW | 6F643501 | 110 | 生産終了 |
| 11 | クリックホルダー | 6G694001 | 330 | |
| 12 | クリックリーフSP | 6F709002 | 220 | |
| 13 | スプールメタル | 6H641501 | 440 | |
| 14 | スプールメタルピン | 6G224101 | 220 | |
| 15 | ローターナットプレート | 6H107301 | 220 | |
| 16 | ローターナットパッキン | 6H505001 | 330 | |
| 17 | ローターナットベアリングカラー | 6H821201 | 330 | |
| 18 | ローターナットボールベアリング | 6G467102 | 880 | |
| 19 | ローターナット | 6H730901 | 440 | |
| 20 | ローターナットSC | 6H022701 | 220 | |
| 21 | ローター | 6H640202 | 2200 | *1生産終了 |
| 22 | キックレバーSP | 6H413601 | 220 | |
| 23 | キックレバー | 6H640401 | 440 | *2 |
| 24 | キックレバーSC | 6H417701 | 220 | |
| 25 | アームレバーシャフト | 6H640601 | 220 | |
| 26 | アームレバーシャフトプレート | 6H576101 | 330 | |
| 27 | アームレバーSP | 6H640701 | 220 | |
| 28 | アームレバーSPホルダー | 6H414301 | 220 | |
| 29 | アームレバーSPカバー(A) | 6H640802 | 330 | 生産終了 |
| 30 | アームレバーSPカバー(B) | 6H640901 | 330 | 生産終了 |
| 31 | カバーSC | 6H431301 | 220 | |
| 32 | アームレバー | 6H533804 | 660 | 生産終了 |
| 33 | アームレバーSC | 6H431201 | 220 | |
| 34 | ローラーSC | 6H697701 | 220 | |
| 35 | ローラーカラー(A) | 6H415401 | 220 | |
| 36 | ローラーカラー(B) | 6H801801 | 330 | |
| 37 | ラインローラー | 6G686703 | 770 | |
| 38 | ローラーカラー(C) | 6H801801 | 330 | |
| 39 | ベール | 6H641001 | 4400 | 生産終了 |
| 40 | ベールホルダーSC | 6H431201 | 220 | |
| 41 | ベールホルダーカバー | 6H641301 | 330 | 生産終了 |
| 42 | カバーSC | 6H431301 | 220 | |
| 43 | マグシールドプレート | 6H730701 | 2310 | *1 |
| 44 | マグシールドプレートSC | 6H596501 | 220 | |
| 45 | マグシールドプレートOリング | 6H639901 | 110 | |
| 46 | マグシールドキャップ | 6H642502 | 440 | *1 |
| 47 | ワンウェイクラッチプレート(A) | 6H665001 | 220 | |
| 48 | ワンウェイクラッチプレート(B) | 6F641401 | 220 | |
| 49 | クラッチリング | 6H782301 | 1870 | |
| 50 | ワンウェイクラッチ | 6G314501 | 2640 | *1 |
| 51 | ピニオンベアリングプレート | 6H509101 | 220 | |
| 52 | ピニオンベアリングプレートSC | 6H624901 | 220 | |
| 53 | ピニオンボールベアリング | 6G522802 | 880 | |
| 54 | ピニオンカラー | 6H649001 | 660 | |
| 55 | メインシャフト | 6H639101 | 1210 | |
| 56 | オシレーティングポスト | 6H639301 | 220 | |
| 57 | ボディー | 6H729801 | 3080 | *1生産終了 |
| 58 | ストッパーカム | 6H639001 | 330 | |
| 59 | ストッパーレバー | 6H595401 | 220 | |
| 60 | ストッパーカムリーフSP | 6H697801 | 220 | |
| 61 | リヤーキャップ | 6H640101 | 440 | 生産終了 |
| 62 | リヤーキャップSC | 6H598201 | 220 | |
| 63 | オシレーテイングギヤーW | 6G644201 | 110 | |
| 64 | オシレーテイングギヤー | 6H545301 | 440 | |
| 65 | オシレーテイングギヤーOリング | 6B853101 | 110 | |
| 66 | オシレーティングギヤーベアリングW | 6G522101 | 110 | |
| 67 | オシレーティングギヤーボールベアリング | 6G467102 | 880 | |
| 68 | オシレーテイングギヤーSC | 6H463401 | 220 | |
| 69 | ドライブギヤーリング | 6G645301 | 220 | |
| 70 | ピニオン+ドライブギヤーセット | 6Z020659 | 5390 | *1生産終了 |
| 71 | ドライブボールベアリング(A) | 6G523401 | 880 | |
| 72 | ボディカバー | 6H730601 | 2090 | 生産終了 |
| 73 | ボディカバーSC | 6H597701 | 220 | |
| 74 | ドライブW | 6G645602 | 110 | |
| 75 | ドライブベアリングカバー | 6H732601 | 990 | 生産終了 |
| 76 | ハンドルパッキン | 6H730801 | 220 | |
| 77 | ハンドル | 6H798801 | 8030 | 生産終了 |
| 78 | ドライブボールベアリング(B) | 6B861704 | 880 | |
| 79 | ドライブベアリングリング | 6G525101 | 220 | |
| 80 | ハンドルキャップOリング | 6G672401 | 110 | |
| 81 | ハンドルキャップ | 6H731501 | 440 | |
| 200 | ハンドルノブW | 6F352701 | 110 | |
| 201 | ハンドルノブカラー(4 7 2.5) | 6G720001 | 220 | |
| 202 | ハンドルノブボールベアリング | 6G469002 | 880 | |
| 203 | ハンドルノブ | 6H089101 | 4070 | 生産終了 |
| 204 | ハンドルノブSC | 6B679308 | 220 | |
| 205 | ハンドルノブキャップ | 6H302601 | 1760 | |
| 206 | ピニオンW(TS) 0.1 | 6E096501 | 110 | |
| 207 | ピニオンW(TS) 0.3 | 6E096502 | 110 | 生産終了 |
| 300 | ドライバー(ハンドルノブキャップヨウ) | 6H699701 | 440 |
*1 ― 修理対応専用(部品販売はおこなっておりません。修理お預りにて対応となります。)
*2 ― 販売停止中(こちらの部品販売につきましては、お問い合せください。)
* 生産終了 ― こちらの部品は生産終了につき、お取り扱いも終了しております。
| ご注文方法 |
(STEP 1:お客様)
パーツリストの中から、ご希望の部品をカートに入れてご決済ください。
↓
(STEP 2:当店)
内容を確認し、メーカーへ発注致します。
↓
(STEP 3:メーカー)
在庫のない部品のみ1週間後にご連絡が来ます。在庫のある部品は約1ヶ月程で当店に入荷致します。
※すべての部品に在庫があった場合は、発送までメーカー・当店からお客様へのご連絡はありませんのでそのままお待ちください。
↓
(STEP 4:当店)
メーカーから部品が入荷次第、発送させていただきます。
※純正パーツの入荷には約1ヶ月程かかります。
※「お取り寄せ品」と「当店在庫品」を一緒にご注文された場合、「お取り寄せ品」が入荷してからまとめての発送となります。
※先に「当店在庫品」だけが欲しい場合は、それぞれのご注文は別々にご決済下さい。
※パーツリストのページは順次増やしていく予定ですが、まだリストが掲載されていないリールの部品をご希望の場合は、下記オーダーフォームより手入力でご注文下さい。
純正パーツ オーダーフォーム
https://www.hedgehog-studio.com/form/parts
| ご注文ができない部品について |
・シマノのHPで、修理不能のマークのある部品。
・メーカーにて交換、アフターサービス対応と記載のある修理対応専用品。
https://www.shimanofishingservice.jp/price.php
・ダイワのHPで、修理対応専用・販売停止中・生産終了の部品。
http://www.sl-planets.co.jp/shop/c/
・シマノ、ダイワのホームページの展開図で、部品番号・部品コードのない部品。
・釣竿や用品など、リール関係以外の部品。
| 携帯メールアドレスのご注意 |
ご入力されたメールアドレスが「docomo・au・SoftBank」などの携帯アドレスの場合、当店から送信したメールが迷惑メールと認識され、お客様に届かないことがございます。
ご注文完了後、数秒で必ずご注文控えがお客様に届きます。
メールが届いていない場合、当店のメールが迷惑メールに仕訳されておりますので、メールフォルダをよくご確認ください。
メールが自動的に削除されてしまった場合は、ご連絡いただければ再送致します。
それでも受取りができない場合は、再度ご連絡ください。
今後のご利用のためにも、できればメールアドレスは携帯アドレスではなく、Gmailやプロバイダなどのアドレスをご指定いただけますと幸いです。
当店のメールアドレスはこちら
info@hedgehog-studio.com
お電話によるお問合せ
TEL:03-5284-9790
平日:9:00 - 15:00










































































































































































































